By ABB.
Customers expect their equipment to handle their products with care and avoid unnecessary shaking or vibrations. While this requirement is an obvious one for the food and beverages on the production line, it is also true for the electrical supply that keeps the plant working. Electricity networks can easily be affected by harmonics, or higher-order oscillations introduced by various types of equipment. Harmonics can have negative effects, such as overheating and malfunctioning, on other equipment connected to the grid. Although solutions exist to counter or mitigate harmonics, the better solution is to employ equipment that doesn’t cause them in the first place. ABB offers a range of ultra-low harmonic drives.

Many phenomena in nature occur in cycles. Examples include a rotating wheel, waves on the sea or the changing seasons. The term “cycle” suggests a rotation at constant speed, something mathematicians describe using the sine function. However, the above examples would not (with the possible exception of the wheel) be adequately described by this function alone. The aberration takes the form of superimposed higher frequencies, which are themselves also sine functions. One way of picturing this would be that the outdoor temperature follows the slow cycle of the seasons throughout the year but is also affected by the much shorter cycle of day and night.
Harmonics are not in themselves a problem. Without harmonics, musical instruments would all sound the same, musicians would not be able to play chords and surfers would not have much pleasure on the waves. But in electrical systems, harmonics could wreak a lot of havoc. Because the generators in power plants rotate at constant and regulated speed, the current in an AC grid is sine shaped in the ideal case. However, in reality it often is not because harmonics are introduced into the grid through various effects.
Equipment that introduces harmonics includes motor starters, variable-speed drives, welding equipment, uninterrupted power supplies and computers. The harmonics they cause can negatively affect other devices and systems connected to the grid. In motors, transformers and other equipment they cause heat, which is wasteful of energy, requires additional cooling and can ultimately damage the equipment. Displays and lighting can flicker, circuit breakers can trip and measurement devices can give false readings.
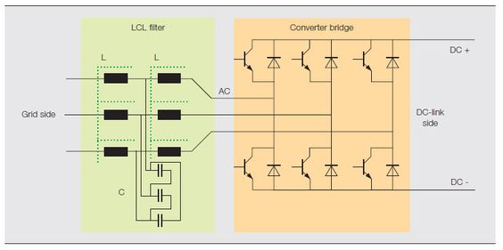
Why does a variable-speed drive cause harmonics? Such a drive converts a fixed voltage and fixed frequency input (from the grid) to a variable voltage and frequency output (typically to control and power a motor). This is usually achieved through the intermediary of a DC link: Two converters are arranged back-to-back with the AC grid input being converted to DC in the first converter and then converted back to AC at the required voltage and frequency in the second.

In conventional drives, the grid-side converter uses a six-pulse diode bridge. The drawback of this solution is that it introduces current harmonics into the grid.

Especially prevalent are the so-called fifth and seventh harmonics (ie, they have five and seven times the grid frequency, respectively). The resulting distortion can account for 30 to 50 percent of total current.
The problem of harmonics is far from new and multiple solutions exist, including active and passive filters, chokes and multi-pulse methods with multi-winding transformers. But prevention is better than cure and thus ABB offers ultra-low harmonic drives created to avoid these harmonics by design. Such a converter, combined with the drive’s built-in active supply unit together with the line filter, can reduce the current distortion to below 5 percent.

The input converters of ultra-low harmonic drives do not use diodes but IGBTs (
Insulated Gate Bipolar Transistors) that can be used to actively modulate smoother wave-forms.
ABB offers a family of ultra-low harmonic devices, an example of which is the ACS800-31, a wall-mounted drive for up to 110 kW. It includes EMC filters and I/O extension modules and is available with an IP21 protection rating, making it suitable for several applications in a food and beverage environment.
For higher power requirements, the cabinet-mounted ACS800-37 drive for up to 2,800 kW is available with a protection rating up to IP54.

ABB’s drives are easy to set up and configure and are suitable for a broad range of working environments and power classes.
